Created at: 2025-11-02
Operation point means DC steady-state: It finds the voltages and currents in a circuit when all signals have settled to a constant, non-time-varying value.
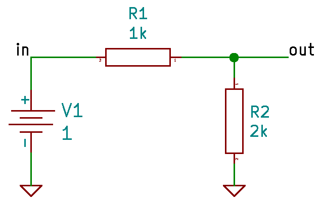
Given the following voltage divider:

A simple file to describe this circuit can be:
Voltage Divider
* netlist details
V1 in 0 1
R1 in out 1k
R2 out 0 2k
.end
Then on ngspice run:
# Operation point
op
# Print all variables
print all
in = 1.000000e+00
out = 6.666667e-01
v1#branch = -3.33333e-04